
流量測量和儀表類型繁多,測量對象復雜多樣,決定了流量測量儀表在應用上的復雜性。它與傳統意義上度量衡計量器具的應用有較大差別——不是簡單地將流量計安裝好,開表投運就能達到測量目的。由于多數流量儀表為介質接觸型,因此在儀表安全運行的基礎上,力求提高測量儀表的正確性和節能性,為此不僅要選用滿足準確度要求的流量儀表,而且要根據被測介質的特點選取合理的測量方式。阿牛巴流量計的操作原理同其它類型的差壓流量計的工作原理相同,都是基于密封管道中的能量守恒定理。
一、主要特點:
流量測量和儀表類型繁多,測量對象復雜多樣,決定了流量測量儀表在應用上的復雜性。它與傳統意義上度量衡計量器具的應用有較大差別——不是簡單地將流量計安裝好,開表投運就能達到測量目的。由于多數流量儀表為介質接觸型,因此在儀表安全運行的基礎上,力求提高測量儀表的正確性和節能性,為此不僅要選用滿足準確度要求的流量儀表,而且要根據被測介質的特點選取合理的測量方式。阿牛巴流量計的操作原理同其它類型的差壓流量計的工作原理相同,都是基于密封管道中的能量守恒定理,但均速管流量計由于其結構設計,因此具有如下優點:
可測量多種介質——可測量氣體、蒸汽、液體,應用范圍較廣
測量精度高、重復性好——精度可達±0.75%,重復性可達 0.1%
測量信號穩定,波動??;壓力損失小——約為滿刻度差壓值的 3%,幾乎可以不考慮壓力損失
安裝費用低,基本免維護——安裝時需在管道上簡單開孔、焊接就可,費用低,整體無活動部件,基本免維護
可直接測量介質的溫度和壓力,計算出蒸汽、氣體的質量流量和標況流量。
二、流量計組成
CRA阿牛巴流量計分兩種結構——經濟式和精確式。經濟式由一次阻流(傳感)元件、變送器和閥組組成,精確式除上述部件外還根據用戶工況增加了特殊管線。

三、工作原理
阿牛巴流量計是一種差壓型流量儀表,迄今為止以差壓原理設計的流量儀表已經有一百多年的應用歷史了。差壓原理就是基于密封管道中的能量轉換原理,也就是說對穩定流體,流量同管道中介質流量的平方根成正比。我們知道,當速度增加時壓力會降低,當介質接近節流件時,其壓力為 P1,在介質通過節流區時,由于介質流通面積減小,流速會增加,壓力降低為 P2, P1 和 P2 都通過流量計的取壓口接到差壓變送器上,流量變化時,流量計的兩個取壓口之間的差壓值會增大或縮小。流量相同時,若節流面積大,則產生的差壓值也大。
Q:體積流量
K:無量綱常數,因流量計不同而不同
Y:氣體壓縮系數,對非壓縮流體時Y=1ΔP=P1-P2,一次阻流件上下游之間的壓力差
ρ:流體密度
四、主要優勢1、量程比寬阿牛巴流量計的量程較其它類型的差壓流量計大得多,正常情況下為 10:1,若有需要可以加大。在雷諾數高于 6500 時,輸出信號為線性,若低于 6500 也可測量,但需根據流體狀況對輸出信號根據曲線進行修正。
2、可在線安裝、清洗、反吹對于部分無法停產安裝的測點可以不停產選用在線插拔裝置進行在線安裝;對含雜質過多或臟污介質,為避免取壓孔堵塞,也可以選用在線插拔裝置進行定期清理或在線反吹裝置進行反吹,以使測量長期準確可靠。
3、多點、分段取壓取壓方式靈活多樣,根據流體的雷諾數及介質狀況基于實驗數據獲得,因而能夠準確進行流體測量。
4、傳感器強度高機構桶過一些工藝加工而成的菱形單片雙腔結構,避免了其他形狀阿牛巴傳感器的多片式結構或焊接工藝導致的腔室間滲漏或斷裂,增加了傳感器的整體強度,從而使測量精度變高。
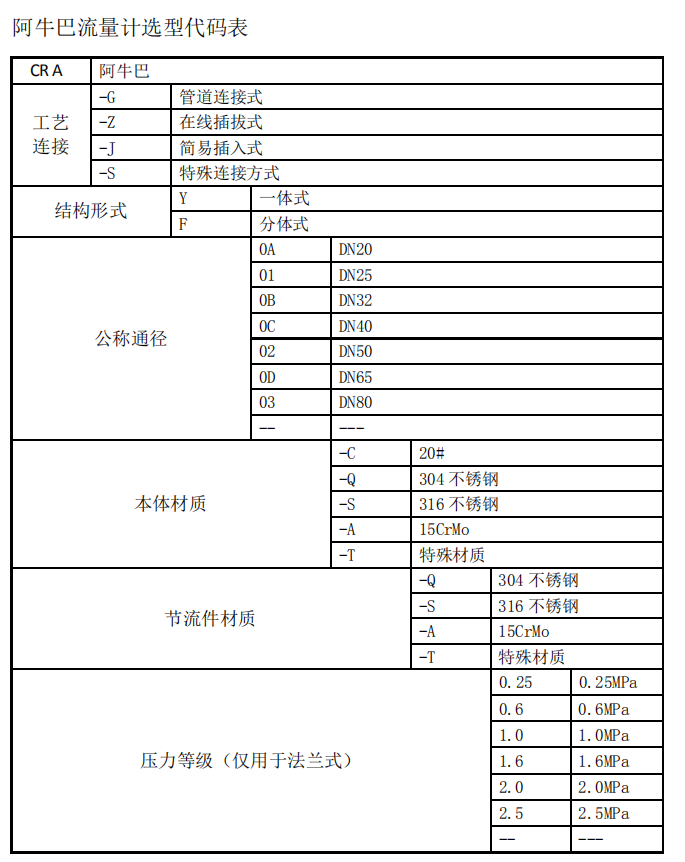
五、選型表